AOTE-PUMP澳特AT-A1F高温泵
澳特AT-A1F高温泵 水温150度 油温200度 环境温度45度24小时连续工作 工作压力8bar
-
澳特AT-A1F高温泵水温150度 油温200度 环境温度45度24小时连续工作 工作压力8bar

耐高温泵 导热油泵 适用范围
油加热器、高温模温机、橡胶滚轮延压设备;冶金、烘焙、太阳能等设备循环导热;热油、燃料等高温液体输送;桑拿、浴室、宾馆等热水增压及输送;水濂柜、冷水机、热水器等供暖设备。
应用环境输送无腐蚀性的,无悬浮颗粒的,非爆炸性的,对泵体材料无损伤的洁净流体。PRODUCT PARAMETERS产品参数
-
产品名称 AT- A1F高温泵 电压 三相380V 功率 0.75KW 1HP 流量 60L/MIN 扬程 45M 泵体 铸铁 泵轴 304不锈钢 电机 纯铜线圈 叶轮 铜叶轮 口径 1" - PRODUCT DISPLAY
- 产品展示




PRODUCT MIX 产品结构
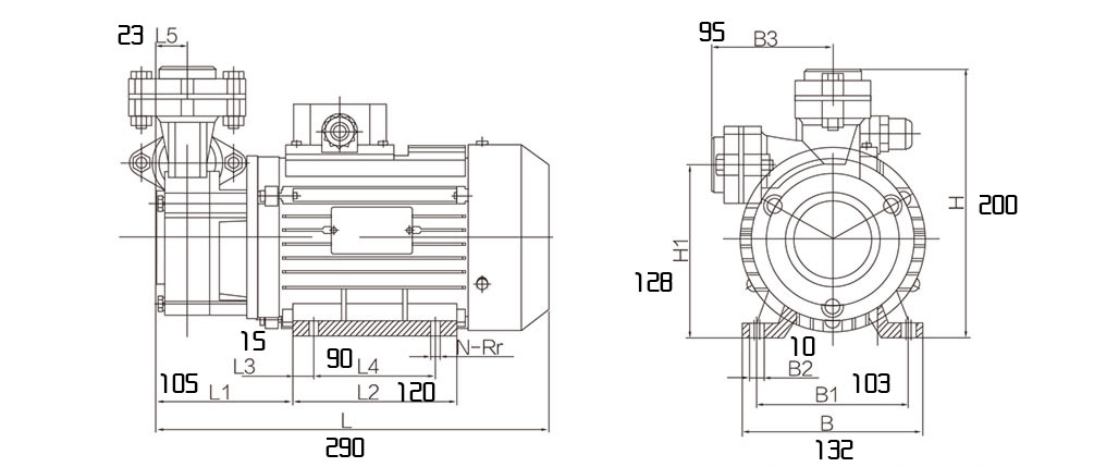
INSTALLATION DIMENSION 安装尺寸
-